Whenever you buy a boat that is older than 5 years, you can expect that there will be a legacy of electrical wires everywhere and that the wires are also weird color-coded. Maybe equipment has been removed or replaced.
We are planning to upgrade and update all Electrical and Navigational on board.
We use these icons for:
🧰 to indicate that this item still needs work
✅ to indicate that this item is done and is fully functional
Plans include (and are not limited to) upgrading:
Upgrade the dashboard to a new version with relay switched entries:
🧰 Navigation Lights
🧰 Anchor Light
🧰 Aft Deck electrical main switch
🧰 Cabin Lighting main switch
🧰 Bilge Pump
🧰 Upgrade the navigational lights to the latest standards.
✅ The navigation system with a modern chartplotter.
✅ The communication system with a modern marine radio (marifoon).
🧰 Integrating additional sensors to enhance onboard monitoring.
🧰 Integrating 220V power in the boat.
✅ Installing a fuel filter with water-separator.
The Upgrades
What upgrades?
The entire electrical system will be subject to overhaul. At this time (march 2025) it looks like only the starter and the navigation lights work.
It looks like the (starter) battery is also fed by a solar panel, but that is probably the only real upgrade.
Anything else is just a big unknown.
The Schematics
Electrical and others?
Schema's
Here you find the main schematics and ideas regarding the electrical systems.
The Engine Dashboard
How is this going to look?
Engine Dashboard
The dashboard of the Volvo Penta MD2B is very rudimentary. With this schema, only the Oil pressure lamp is not drawn and how to set that up, please take a look at the
.
The Electrical Backbone
12v - 220v circuits
12 Volt Backbone & 220v Shore Power
Fig.1 - Serial and Parallel Battery Setup.
The 12 Volt Backbone & 220v Shore Power setup contains all the main power-sources and storage that are available:
Alternator
Solar Panel
Start Battery
Charge Manager
Shiptron 220v Converter - Charger
Parallel set of 2 12v Household Batteries (120Ah each)
The Global Backbone
Backbone circuits
Here you see what the global setup for the electrical backbone might be:
The 12 Volt Household batteries will power the following through a 6 swichtes panel & relay box:
Cabin Main Switch
Bilge Pump
Reserved
Modifications?
What are the updates?
Interior Comfort and Modifications
We aim to improve insulation, upgrade lighting to LED, rebuild the
with new stove and sink, install diesel-heating and install new seating to enhance comfort during long voyages.
The current kitchen is very outdated and is no longer compliant with current standards regarding the usage of propane/butane gas, etc.
Re-Power?
Other engine?
Engine and Performance Enhancements
We are considering upgrading the engine to a more powerful and efficient model.
Options include a Nanni or Bukh diesel engine to improve reliability and fuel efficiency.
Performed / Installed Upgrades
What already has been done
We already have performed and installed some updates and upgrades. Here you will be kept
updated about progress.
5 April 2025 - Fuel filter with water separator
As you can read in our first trip
we installed a new Fuel filter with water separator.
This due to the fact that we do not know what was/is in the fuel tank.
It is always better to have a separate fuel filter with additional filters available.
Fig.5 - Fuel Filter set.
We chose to use the
R12T Brandstoffilter/Waterafscheider by Aliexpress. Together with the
2 new filters for €16,-
this was just a winner. But next time, we might order
4 filters for €14,-.
Especially since there's also a fuel filter on the engine itself, a top-quality filter isn't really necessary.
Although I do wonder whether these (cheap) filters are really that bad (10-micron filtration).
The filters are also available elsewhere for about €45 each! (Seen at places like Bootmania, for example).
In short, they are not filters that don't work. On the advice of a mechanic, we also installed a fuel primer bulb.
This really helps with refilling the filters without making a serious mess with fuel.
Fig.6 - Brandstof pompbal (or is it balpomp?).
The advantage of using this "hack" is that when you change the R12T filter,
you don't have to fill it up with diesel before you are putting it back.
The pumpin ball just makes it easy. Open the air bleeder on the filter, and start pumping.
It is as easy as that!
17 - 27 April 2025 - Start Replacing Electrical Installation
Fig.1 - DynaStart Setup.
Now we have a nice spot in the harbor, we can start to work on the electrical installation... Whow.... That is some "adventure". We already knew that there was enough to change and modify, but this much? We are actually cutting away approx 25 years of "previous owners installation wonder".
When taking out old cables, we found:
VMVK cable (normally for 220v) in between the shore-power charger and the battery.
A water hose of about 3 meters, not connected to anything on BOTH sides.
Half dissolved twin wire cables
220v Electrical cables used for 12v
So yes, surprises, surprises. It looks like there has been done a lot with this boat in years, because the silent witnesses are still there. Switches and (power) plugs, cables leading to nowhere, holes, etc. We also found out that the original regulator/solenoid was already replaced by a separate regulator and (Start) Solenoid. At first this confused me a bit, due to the fact that there were more wires connected to the solenoid, and I did not know where they were for, and coming from. But I figured that out! The solenoid was just "hanging" free but is now firmly attached.
Solenoid
The Solenoid has 4 connectors:
2 x 8mm — For the main power-cables
2 x 6mm — 1 for the ground, 1 for the starter button positive feed
Main powercables - +/- (25mm²)
First parts that are replaced are the Main Powercables:
From the dynastart (11Ah) to the Solenoid ➕
From the Solenoid to the Main switch ➕
From the Main switch to the (start) battery (80Ah) ➕
From the (start) battery (80Ah) to the engine (Black wire) ➖
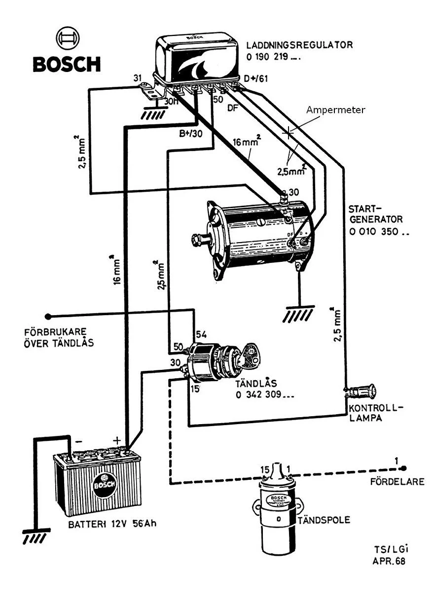
Regulator
We have not changed all the wires attached to the Regulator. The only cable that we replaced was the B+ connector between the ➕ and the regulator. Using the color schema as mentioned in the
AB Marineservice documentation this cable is now a red cable.
Wire Logic
Regulator
Dynastart
Battery
Solenoid
B+ = RED
DF = GREEN
D+ = YELLOW
D- = BLACK (Mass -)
61 = BLUE
B+ = RED
DF = GREEN
D+ = YELLOW
D- = BLACK
61 = BLUE
30 = RED
+ = RED
- = BLACK
+ = RED (left on drawing)
- = BLACK (Mass -)
+ = RED (right on drawing)
50 = Starter Button
The Regulator:Fig.7 - Bosch Regulator 11A Drawing.Fig.8 - Bosch Regulator 11A top view.Fig.9 - Bosch Regulator 11A side view.
11 May 2025 - Dynastart or Regulator faulty?
Hmmmm... After checking some stuff, the Dynastart does not charge at all. And I noticed that the wires were not connected properly according to what was on the Dynastart and Regulator.
The D+ on the Dyna, was connected to the DF on the regulator
The DF on the Dyna, was connected to the D+ on the regulator
So, I "reconnected" everything properly and guess what? My D+ wire starts to melt! That is no bueno! as how Farmcraft 101's John would call it.
Time to call around for another dynastart & regulator. I refuse to spend too much time figuring out what is the issue. I will just replace it all together.....
15 May 2025 - Bukh DV24???????
Ok, after talking with Shanaz, we decided to just "look around" to see if re-fitting a different engine would be something. Preferably a BUKH DV24 or DV29. Found a BUKH shop near home!
So we went there and had a very good talk and we decided that we are going to refit a BUKH DV24. The fact that it comes with a 55A alternator, makes a lot of additional costs for the MD2B obsolete.
Therefore no additional brackets, no extra aux-alternator. Just a new engine. And this engine gives more "readouts" too. Possibilities for:
Water Temperature
Oil Pressure
Oil Temperature
And it will be a refurbished one with approx. 500 hours. Not a new one. But with BUKH, this is actually "new"......
Ordering a Dynastart Replacement
5 Juni 2025
The Dynastart replacement
Due to the fact that it takes a bit of time to get the BUKH DV24, we ordered a new dynastart.
We ordered one from AB Marine Service
so we have a working engine in the mean time. The new dynastart is a replacement, but is a little less strong.
Fig.10 - Dynastart.
Dynastart
Ordered and shipped Dynastart
Date:
From
AB Marineservice
To
Enkhuizen
Product
Dynastart
Dynastart Summary
Type
DC Dynamo
Voltage
⎓ 12 volt
Ampere
11
kW
0.9
HP
1.2
Dynastart Replacement
29 Juni 2025
Mounting the Dynastart replacement
Yep, took some time, but it is installed. The dynastart we ordered from AB Marine Service is mounted.
It took some work to properly place it:
The mounting hole on the pulley side of the dynastarter measures 8 mm, while the hole in the bracket to which the dynastarter is attached measures 10 mm. Therefore, the bracket hole must be enlarged to ensure proper fitment.
Assessment and Replacement of Fastening Components:
Upon inspection, the original bolts and nuts were found to be excessively worn and no longer reliable for safe and secure operation.
Due to significant degradation—likely caused by prolonged exposure to mechanical stress and possibly corrosion—they were deemed unfit for continued use and required replacement to restore structural integrity.
As a solution, a high-quality stainless steel threaded rod (A2 grade), measuring 200 mm in length, was selected.
This threaded rod provides improved corrosion resistance and mechanical strength compared to the original components.
To ensure secure fastening and prevent loosening due to vibration or dynamic load, a standard hex nut and a corresponding locknut (counter nut) were installed at both ends of the rod.
This configuration provides a robust and durable connection, well-suited for long-term use in marine or similarly demanding environments.
Mounting the new power-regulator
Rewiring the entire system
Fig.11 - Bosch Regulator.
Upon earlier checks, the original dynastart did not charge.
To be sure, implementing a brand new set (dynastart and regulator) seemed to be the smarter choice.
So, we can, at least, boat this season!
Dynastart Evaluation
22 Augustus 2025
Evaluation of the Dynastart replacement
After a few trips now, the Dynastart works perfect. The effort put in to replace it, is paying off.
Upon earlier checks, the original dynastart did not charge.
To be sure, implementing a brand new set (dynastart and regulator) seemed to be the smarter choice.
The only thing that is irritating a bit is that a dynastart needs a specific amount of rpm's to work
properly. So, when you are manouvering, this might be an issue.
Main Navigation
24 Januari 2026
We try to update this website as often as possible!
The upgrade plans
24 Januari 2026
Our upgrade plans.
Copyright, Disclaimer & Attribution
The content on this website may include materials such as text, images, videos, and other media that are the property of their respective owners. All trademarks, logos, and copyrighted works remain the intellectual property of their original creators.
We strive to properly attribute and acknowledge all sources. If you are the copyright owner of any material featured on this site and believe it has been used without appropriate credit or permission, please contact us at [your contact email] so we can promptly address the issue.
Where applicable, the use of third-party content falls under fair use, creative commons licenses, or other applicable legal provisions. If specific attribution is required, it is provided directly alongside the respective material.
The images on this site are NOT for navigation. Never. NOT. Use them for that and it’s your fault, your problem.
Sue me over it, and the court will officially record you as dumber than rubber dog shit from Hong Kong.